フレア式銅管継手
■流体・エアー
■常用使用圧力:35kg/cm2(3.43MPa)使用温度:-20℃~+150℃
・銅管はなまし銅管(〇)を使用してください。
・銅管の切断はパイプカッターを使用し、内外側のバリを取り除いてください。
・銅管の先端をフレアリングツールにて、45°に拡管してください。
・ナットを手締めしたのち、所要のところまでスパナで締めこんでください。
・過度に締めすぎますと、漏れの原因になります。
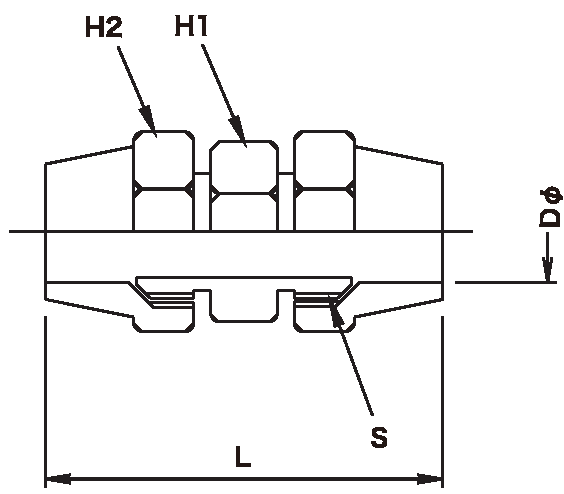
フレアジョイント
●材質:JIS H3256 C3604 快削黄銅棒


中間フレアジョイント
●材質:JIS H3256 C3604 快削黄銅棒


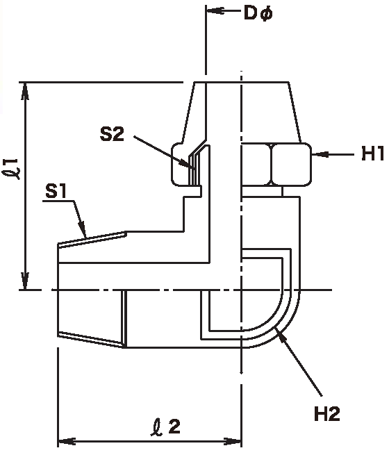
フレアエルボ
●材質:JIS H3256 C3604 快削黄銅棒


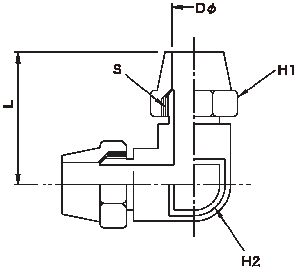
中間フレアエルボ
●材質:JIS H3256 C3604 快削黄銅棒


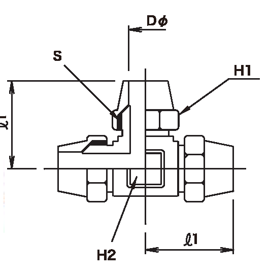
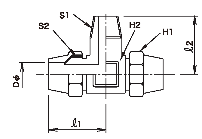
フレアチーズ
●材質:JIS H3256 C3604 快削黄銅棒


二方フレアチーズ
●材質:JIS H3256 C3604 快削黄銅棒


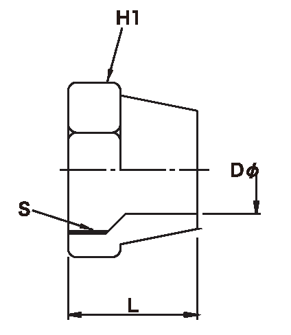
フレアジョイント用ナット
●材質:JIS H3256 C3604 快削黄銅棒


