ねじ込み型継手
■流体・エアー
■常用使用圧力:75kg/cm2(6.86MPa)使用温度:-20℃~+150℃
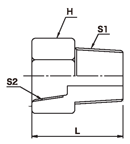
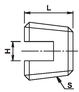
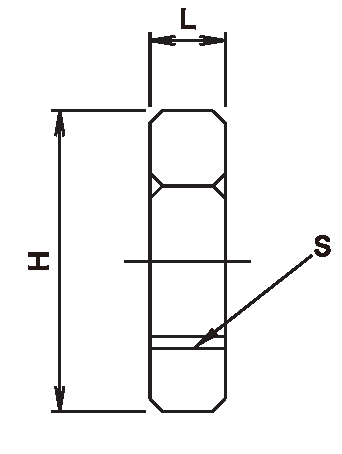
ソケット
●材質:JIS H3250 C3604 快削黄銅棒


| 品番 | 製品呼称 | 取付ネジ | 六角対辺 | L | 備考 | |
|---|---|---|---|---|---|---|
| S1(PT) | S2(PT) | H1 | ||||
| KSG-001 | 1/8 | 1/8 | 1/8 | 12 | 21 | |
| KSG-002 | 1/4 | 1/4 | 1/4 | 17 | 28 | |
| KSG-003 | 3/8 | 3/8 | 3/8 | 21 | 32 | |
| KSG-004 | 1/2 | 1/2 | 1/2 | 27 | 40 | |
| KSG-005 | 1/8×1/4 | 1/8 | 1/4 | 17 | 26 | |
| KSG-006 | 1/4×3/8 | 1/4 | 3/8 | 21 | 30 | |
| KSG-007 | 3/8×1/2 | 3/8 | 1/2 | 27 | 38 | |
| KSG-008 | 1/8×3/8 | 1/8 | 3/8 | 21 | 28 | |
| KSG-009 | 1/4×1/2 | 1/4 | 1/2 | 27 | 36 | |
| KSG-010 | 3/8×3/4 | 3/8 | 3/4 | 32 | 44 | |
| KSG-011 | 1/2×3/4 | 1/2 | 3/4 | 32 | 46 | |
| KSG-012 | 3/4 | 3/4 | 3/4 | 32 | 49 | |
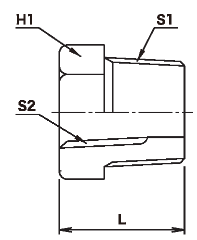
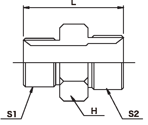
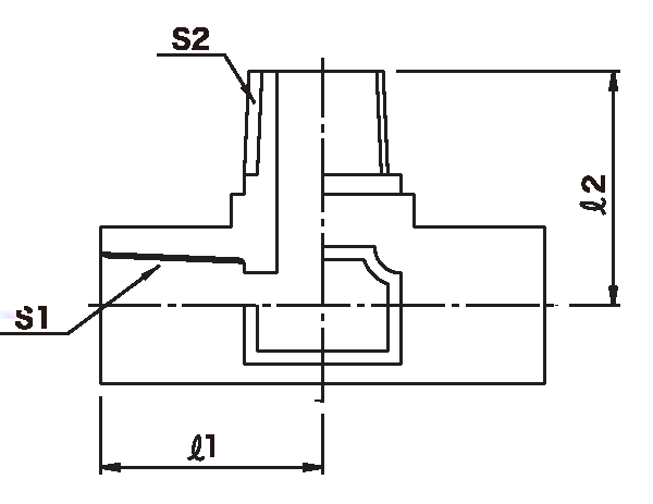
オスメスソケット
●材質:JIS H3250 C3604 快削黄銅棒


| 品番 | 製品呼称 | 取付ネジ | 内ネジ | 六角対辺 | L | 備考 |
|---|---|---|---|---|---|---|
| S1(PT) | S2(PT) | H1 | ||||
| KSG-101 | 1/8 | 1/8 | 1/8 | 12 | 20 | |
| KSG-102 | 1/4 | 1/4 | 1/4 | 17 | 26 | |
| KSG-103 | 3/8 | 3/8 | 3/8 | 21 | 29 | |
| KSG-104 | 1/2 | 1/2 | 1/2 | 27 | 35 | |
| KSG-105 | 1/8×1/4 | 1/8 | 1/4 | 17 | 23 | |
| KSG-106 | 1/4×1/8 | 1/4 | 1/8 | 14 | 23 | |
| KSG-107 | 1/4×3/8 | 1/4 | 3/8 | 21 | 27 | |
| KSG-108 | 3/8×1/4 | 3/8 | 1/4 | 17 | 27 | |
| KSG-109 | 3/8×1/2 | 3/8 | 1/2 | 27 | 32 | |
| KSG-110 | 1/2×3/8 | 1/2 | 3/8 | 22 | 32 | |
| KSG-111 | 3/4 | 3/4 | 3/4 | 32 | 37 | |
| KSG-112 | 1/8×3/8 | 1/8 | 3/8 | 21 | 27 | |
| KSG-113 | 1/4×1/2 | 1/4 | 1/2 | 27 | 31 | |
| KSG-114 | 3/8×1/8 | 3/8 | 1/8 | 17 | 27 | |
| KSG-115 | 3/8×3/4 | 3/8 | 3/4 | 32 | 34 | |
| KSG-116 | 1/2×1/4 | 1/2 | 1/4 | 22 | 28 | |
| KSG-117 | 1/2×3/4 | 1/2 | 3/4 | 32 | 34 | |
| KSG-118 | 3/4×3/8 | 3/4 | 3/8 | 27 | 32 | |
| KSG-119 | 3/4×1/2 | 3/4 | 1/2 | 27 | 32 | |
| KSG-121 | M6×1/8 | *M6,P1.0 | 1/8 | 12 | 20 | |
| KSG-122 | 1/4unf×1/8 | *1/4unf | 1/8 | 12 | 20 |
エルボ
●材質:JIS H3250 C3771 鍛造用黄銅棒


| 品番 | 製品呼称 | 取付ネジ | L | 備考 |
|---|---|---|---|---|
| S1(PT) | ||||
| KSH-001 | 1/8 | 1/8 | 17 | |
| KSH-002 | 1/4 | 1/4 | 19 | |
| KSH-003 | 3/8 | 3/8 | 23 | |
| KSH-004 | 1/2 | 1/2 | 25 | 都度確認 |
| KSH-005 | 3/4 | 3/4 | 27 | 都度確認 |
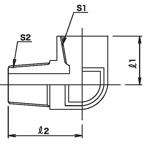
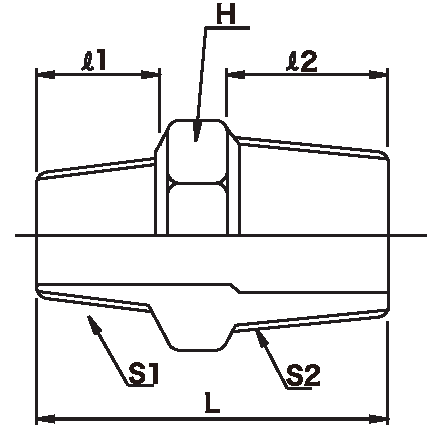
オスメスエルボ
●材質:JIS H3250 C3771 鍛造用黄銅棒


| 品番 | 製品呼称 | 取付ネジ | ℓ-1 | ℓ-2 | 備考 | |
|---|---|---|---|---|---|---|
| S1(PT) | S2(PT) | |||||
| KSH-101 | 1/8 | 1/8 | 1/8 | 17 | 21 | |
| KSH-102 | 1/4 | 1/4 | 1/4 | 19 | 26 | |
| KSH-103 | 3/8 | 3/8 | 3/8 | 23 | 32 | |
| KSH-104 | 1/2 | 1/2 | 1/2 | 21 | 40 | 都度確認 |
| KSH-105 | 3/4 | 3/4 | 3/4 | 23 | 45 | 都度確認 |
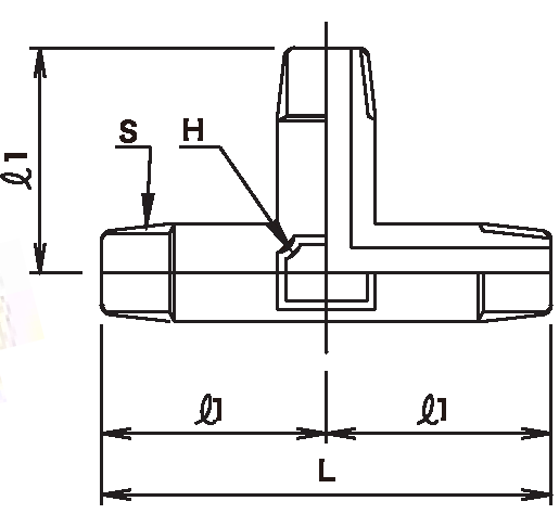
チーズ
●材質:JIS H3250 C3771 鍛造用黄銅棒


| 品番 | 製品呼称 | 取付ネジ | L | 備考 |
|---|---|---|---|---|
| S(PT) | ||||
| KSH-201 | 1/8 | 1/8 | 17 | |
| KSH-202 | 1/4 | 1/4 | 19 | |
| KSH-203 | 3/8 | 3/8 | 23 | |
| KSH-204 | 1/2 | 1/2 | 25 | 都度確認 |
| KSH-205 | 3/4 | 3/4 | 27 | 都度確認 |
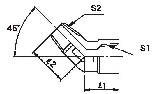
45°オスメスエルボ
●材質:JIS H3250 C3771 鍛造用黄銅棒


| 品番 | 製品呼称 | 取付ネジ | ℓ-1 | ℓ-2 | 備考 | |
|---|---|---|---|---|---|---|
| S1(PT) | S2(PT) | |||||
| KSH-601 | 1/8 | 1/8 | 1/8 | 17 | 21 | |
| KSH-602 | 1/4 | 1/4 | 1/4 | 19 | 22 | |
| KSH-603 | 3/8 | 3/8 | 3/8 | 23 | 30 | |
クロス
●材質:JIS H3250 C3771 鍛造用黄銅棒


| 品番 | 製品呼称 | 取付ネジ | L | 備考 |
|---|---|---|---|---|
| S1(PT) | ||||
| KSH-701 | 1/8 | 1/8 | 17 | |
| KSH-702 | 1/4 | 1/4 | 19 | |
| KSH-703 | 3/8 | 3/8 | 23 |
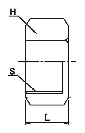
沈みプラグ
●材質:JIS H3250 C3604 快削黄銅棒


| 品番 | 製品呼称 | 取付ネジ | 六角対辺 | L | 備考 |
|---|---|---|---|---|---|
| S(PT) | H | ||||
| KSH-611 | 1/8 | 1/8 | 5 | 7 | |
| KSH-612 | 1/4 | 1/4 | 6 | 9 |
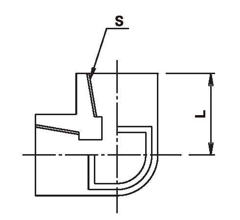
外ネジエルボ
●材質:JIS H3250 C3771 鍛造用黄銅棒


| 品番 | 製品呼称 | 取付ネジ | 二面幅 | ℓ-1 | 備考 |
|---|---|---|---|---|---|
| S(PT) | H | ||||
| KSH-301 | 1/8 | 1/8 | 10.5 | 23 | |
| KSH-302 | 1/4 | 1/4 | 14 | 24 | |
| KSH-303 | 3/8 | 3/8 | 17 | 31 | |
| KSH-304 | 1/2 | 1/2 | 22 | 33 | |
| KSH-306 | 1/8 × 1/4 | ー | ー | ー | |
| KSH-307 | 1/4 × 3/8 | ー | ー | ー | |
| KSH-308 | 3/8 × 1/2 | ー | ー | ー |
外ネジチーズ
●材質:JIS H3250 C3771 鍛造用黄銅棒


| 品番 | 製品呼称 | 取付ネジ | 二面幅 | ℓ-1 | 備考 | |
|---|---|---|---|---|---|---|
| S(PT) | H | |||||
| KSH-401 | 1/8 | 1/8 | 10.5 | 23 | ||
| KSH-402 | 1/4 | 1/4 | 14 | 24 | ||
| KSH-403 | 3/8 | 3/8 | 17 | 30 | ||
| KSH-404 | 1/2 | 1/2 | 22 | 33 |
ブッシング
●材質:JIS H3250 C3604 快削黄銅棒


| 品番 | 製品呼称 | 取付ネジ | 内ネジ | 六角対辺 | L | 備考 |
|---|---|---|---|---|---|---|
| S1(PT) | S2(PT) | H | ||||
| KSG-501 | 1/4-1/8 | 1/4 | 1/8 | 16 | 15 | |
| KSG-502 | 3/8-1/4 | 3/8 | 1/4 | 19 | 17 | |
| KSG-503 | 3/8-1/8 | 3/8 | 1/8 | 19 | 17 | |
| KSG-504 | 1/2-1/8 | 1/2 | 1/8 | 23 | 21 | |
| KSG-505 | 1/2-1/4 | 1/2 | 1/4 | 23 | 21 | |
| KSG-506 | 1/2-3/8 | 1/2 | 3/8 | 23 | 21 | |
| KSG-507 | 3/4-1/4 | 3/4 | 1/4 | 28 | 23 | |
| KSG-508 | 3/4-3/8 | 3/4 | 3/8 | 28 | 23 | |
| KSG-509 | 3/4-1/2 | 3/4 | 1/2 | 28 | 23 | |
| KSG-510 | 1 × 3/8 | 1 | 3/8 | 35 | 30 | |
| KSG-511 | 1 × 1/2 | 1 | 1/2 | 35 | 30 | |
| KSG-512 | 1 × 3/4 | 1 | 3/4 | 35 | 30 |
丸ニップル
●材質:JIS H3250 C3604 快削黄銅棒


| 品番 | 製品呼称 | 取付ネジ | L | 備考 |
|---|---|---|---|---|
| S(PT) | ||||
| KSG-211 | 1/8 | 1/8 | 22 | |
| KSG-212 | 1/4 | 1/4 | 26 | |
| KSG-213 | 3/8 | 3/8 | 28 | |
| KSG-214 | 1/2 | 1/2 | 32 |
丸ソケット
●材質:JIS H3250 C3604 快削黄銅棒


| 品番 | 製品呼称 | 取付ネジ | L | 備考 |
|---|---|---|---|---|
| S(PT) | ||||
| KSG-221 | 1/8 | 1/8 | 20 | |
| KSG-222 | 1/4 | 1/4 | 24 | |
| KSG-223 | 3/8 | 3/8 | 30 | |
| KSG-224 | 1/2 | 1/2 | 30 |
角エルボ/角チーズ
●材質:JIS H3250 C3604 快削黄銅棒


角エルボ
| 品番 | 製品呼称 | 取付ネジ | ℓ1 | H | 備考 | |
|---|---|---|---|---|---|---|
| S1(PT) | S2(PT) | |||||
| KSH-801L | 1/8 | 1/8 | 1/8 | 14 | 23 | |
| KSH-802L | 1/4 | 1/4 | 1/4 | 16 | 27 | |
| KSH-803L | 3/8 | 3/8 | 3/8 | 22 | 35 | |
| KSH-804L | 1/8 × 1/4 | 1/8 | 1/4 | 16 | 26 | |
| KSH-805L | 1/4 × 1/8 | 1/4 | 1/8 | 16 | 27 | |
| KSH-806L | 1/4 × 3/8 | 1/4 | 3/8 | 22 | 34 | |
| KSH-807L | 3/8 × 1/4 | 3/8 | 1/4 | 22 | 35 | |
角チーズ
| 品番 | 製品呼称 | 取付ネジ | ℓ1 | H | 備考 | |
|---|---|---|---|---|---|---|
| S1(PT) | S2(PT) | |||||
| KSH-801T | 1/8 | 1/8 | 1/8 | 14 | 23 | |
| KSH-802T | 1/4 | 1/4 | 1/4 | 16 | 27 | |
| KSH-803T | 3/8 | 3/8 | 3/8 | 22 | 35 | |
| KSH-805T | 1/4 × 1/8 | 1/4 | 1/8 | 16 | 27 | |
| KSH-807T | 3/8 × 1/4 | 3/8 | 1/4 | 22 | 35 | |
NPT ニップル
●材質:JIS H3250 C3604 快削黄銅棒


| 品番 | 製品呼称 | 取付ネジ | 六角対辺 | L | 備考 | |
|---|---|---|---|---|---|---|
| S1(PT) | S2(NPT) | H | ||||
| KSG-801 | 1/8 | 1/8 | 1/8 | 12 | 23 | |
| KSG-802 | 1/4 | 1/4 | 1/4 | 14 | 30 | |
| KSG-803 | 3/8 | 3/8 | 3/8 | 17 | 34 | |
NPT ソケット
●材質:JIS H3250 C3604 快削黄銅棒


| 品番 | 製品呼称 | 取付ネジ | 六角対辺 | L | 備考 | |
|---|---|---|---|---|---|---|
| S1(PT) | S2(NPT) | H | ||||
| KSG-811 | 1/8 | 1/8 | 1/8 | 12 | 21 | |
| KSG-812 | 1/4 | 1/4 | 1/4 | 17 | 28 | |
| KSG-813 | 3/8 | 3/8 | 3/8 | 21 | 32 | |
NPT オスメスソケット
●材質:JIS H3250 C3604 快削黄銅棒


| 品番 | 製品呼称 | 取付ネジ | 六角対辺 | L | 備考 | |
|---|---|---|---|---|---|---|
| S1 | S2 | H | ||||
| KSG-821 | 1/8 | 1/8PT | 1/8NPT | 12 | 20 | |
| KSG-821N | 1/8N | 1/8NPT | 1/8PT | 12 | 20 | |
| KSG-822 | 1/4 | 1/4PT | 1/4NPT | 17 | 26 | |
| KSG-822N | 1/4N | 1/4NPT | 1/4PT | 17 | 26 | |
| KSG-823 | 3/8 | 3/8PT | 3/8NPT | 21 | 29 | |
| KSG-823N | 3/8N | 3/8NPT | 3/8PT | 21 | 29 | |
| KSG-824 | 1/8 × 1/4N | 1/8PT | 1/4NPT | 17 | 23 | |
| KSG-825 | 1/4N × 1/8 | 1/4NPT | 1/8PT | 14 | 23 | |
| KSG-826 | 1/4 × 3/8N | 1/4PT | 3/8NPT | 21 | 29 | |
| KSG-827 | 3/8N × 1/4 | 3/8NPT | 1/4PT | 17 | 29 | |
NPT 異形ニップル
●材質:JIS H3250 C3604 快削黄銅棒


| 品番 | 製品呼称 | 取付ネジ | 六角対辺 | L | 備考 | |
|---|---|---|---|---|---|---|
| S1 | S2 | H | ||||
| KSG-831 | 1/8 × 1/4N | 1/8PT | 1/4NPT | 14 | 27 | |
| KSG-832 | 1/4N × 1/8 | 1/8NPT | 1/4PT | 14 | 27 | |
| KSG-833 | 1/4 × 3/8N | 1/4PT | 3/8NPT | 17 | 32 | |
| KSG-834 | 3/8 × 1/4N | 3/8PT | 1/4NPT | 17 | 32 | |
| KSG-835 | 1/8 × 3/8N | 1/8PT | 3/8NPT | 17 | 32 | |
| KSG-836 | 1/8N × 3/8 | 1/8NPT | 3/8PT | 17 | 32 | |
ニップル
●材質:JIS H3250 C3604 快削黄銅棒


| 品番 | 製品呼称 | 取付ネジ | 六角対辺 | ℓ1 | ℓ2 | L | 備考 |
|---|---|---|---|---|---|---|---|
| S1 | H | ||||||
| KSG-201 | 1/8 | 1/8 | 12 | 5 | 9 | 23 | |
| KSG-202 | 1/4 | 1/4 | 14 | 6 | 12 | 30 | |
| KSG-203 | 3/8 | 3/8 | 17 | 8 | 13 | 34 | |
| KSG-204 | 1/2 | 1/2 | 22 | 8 | 17 | 42 | |
| KSG-205 | 3/4 | 3/4 | 27 | 10 | 19 | 48 | |
| KSG-206 | 1 | 1 | 35 | 10 | 20 | 50 |
異形ニップルPT
●材質:JIS H3250 C3604 快削黄銅棒


| 品番 | 製品呼称 | 取付ネジ | 六角対辺 | ℓ1 | ℓ2 | L | 備考 | |
|---|---|---|---|---|---|---|---|---|
| S1(PT) | S2 | H | ||||||
| KSG-301 | 1/8-1/4 | 1/8 | 1/4 | 14 | 10 | 12 | 27 | |
| KSG-302 | 1/8-3/8 | 1/8 | 3/8 | 17 | 10 | 13 | 30 | |
| KSG-303 | 1/4-3/8 | 1/4 | 3/8 | 17 | 12 | 13 | 32 | |
| KSG-304 | 1/4-1/2 | 1/4 | 1/2 | 22 | 13 | 17 | 35 | |
| KSG-305 | 3/8-1/2 | 3/8 | 1/2 | 22 | 13 | 17 | 35 | |
| KSG-306 | 1/2-3/4 | 1/2 | 3/4 | 27 | 17 | 19 | 45 | |
| KSG-307 | 3/8-3/4 | 3/8 | 3/4 | 27 | 13 | 19 | 43 | |
| KSG-308 | 1/4-3/4 | 1/4 | 3/4 | 27 | 12 | 19 | 42 | |
異形ニップルPF
●材質:JIS H3250 C3604 快削黄銅棒


| 品番 | 製品呼称 | 取付ネジ | 六角対辺 | L | 備考 | |
|---|---|---|---|---|---|---|
| S1(PF) | S2(PF) | H | ||||
| KSG-401 | 1/8-1/4 | 1/8 | 1/4 | 14 | 23 | |
| KSG-402 | 1/4-3/8 | 1/4 | 3/8 | 17 | 27 | |
| KSG-403 | 3/8-1/2 | 3/8 | 1/2 | 22 | 30 | |
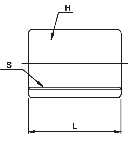
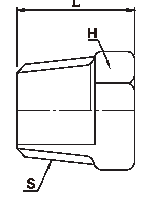
キャップ
●材質:JIS H3250 C3604 快削黄銅棒


| 品番 | 製品呼称 | 取付ネジ | 六角対辺 | L | 備考 |
|---|---|---|---|---|---|
| S(PF) | H | ||||
| KSG-611 | 1/8 | 1/8 | 12 | 9 | |
| KSG-612 | 1/4 | 1/4 | 16 | 11 | |
| KSG-613 | 3/8 | 3/8 | 19 | 14 | |
| KSG-614 | 1/2 | 1/2 | 24 | 15 |
プラグ
●材質:JIS H3250 C3604 快削黄銅棒


| 品番 | 製品呼称 | 取付ネジ | 六角対辺 | L | 備考 |
|---|---|---|---|---|---|
| S(PF) | H | ||||
| KSG-601 | 1/8 | 1/8 | 12 | 14 | |
| KSG-602 | 1/4 | 1/4 | 17 | 17 | |
| KSG-603 | 3/8 | 3/8 | 19 | 19 | |
| KSG-604 | 1/2 | 1/2 | 24 | 21 |
ロックナット
●材質:JIS H3250 C3604 快削黄銅棒


| 品番 | 製品呼称 | 取付ネジ | 六角対辺 | L | 備考 |
|---|---|---|---|---|---|
| S(PF) | H | ||||
| KSG-621. | 1/8 | 1/8 | 12 | 3 | |
| KSG-622 | 1/4 | 1/4 | 17 | 4 | |
| KSG-623 | 3/8 | 3/8 | 21 | 4 | |
| KSG-624 | 1/2 | 1/2 | 24 | 5 | 廃盤 |
二方チーズ
●材質:JIS H3250 C3771 快削黄銅棒


| 品番 | 製品呼称 | 取付ネジ | ℓ1 | ℓ2 | 備考 | |
|---|---|---|---|---|---|---|
| S1(PF) | S2(PF) | |||||
| KSH-501 | 1/8 | 1/8 | 1/8 | 17 | 21 | |
| KSH-502 | 1/4 | 1/4 | 1/4 | 19 | 26 | |
| KSH-503 | 3/8 | 3/8 | 3/8 | 23 | 32 | |
製品に関するお問い合わせはこちら
